产品详情

描述:

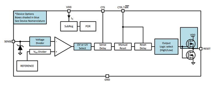
TPS3760-Q1 是一款 65V 输入AQZ404电压检测器,具有 1μA I DD和 1% 的准确度以及快速检测时间。该器件可直接连接到 12 V / 24 V 汽车电池系统,用于持续监控过 (OV) 或欠 (UV) 电压条件;凭借其内部电阻分压器,它提供了最小的总解决方案尺寸。宽滞后电压选项可用于忽略冷车发动、启停和各种汽车电池电压瞬变。SENSE 引脚上的内置迟滞可防止在监控电源电压轨时出现错误的复位信号。
独立的 VDD 和 SENSE 引脚允许高可靠性汽车系统寻求冗余,并且 SENSE 可以监控比 VDD 更高和更低的电压。SENSE 引脚的高阻抗输入支持可选使用外部电阻器。CTS 和 CTR 引脚允许在 RESET 信号的上升沿和下降沿调整延迟。此外,CTS 通过忽略受监控电压轨上的电压毛刺,起到去抖器的作用;CTR 作为手动复位 ( MR ) 运行,可用于强制系统复位。
TPS3760 采用 4.1-mm×1.9-mm SOT 14 引脚封装。TPS3760 在 –40°C 至 +125°CT A范围内工作。
特性:
●AEC-Q100 符合以下结果:
●器件温度等级 1:–40°C 至 +125°C 环境工作温度 T A
●器件 HBM ESD 分类级别 2
●器件 CDM ESD 分类等级 C7B
●功能安全能力
●可用于帮助功能安全系统设计的文档
●宽电源电压范围:2.7 V 至 65 V
●SENSE 和 RESET 引脚为 65 V 分级
●低静态电流:1 μA(典型值)
●灵活的宽电压阈值选项 表 12-1
●2.7 V 至 36 V(1.5% 最大精度)
●800 mV 选项(1% 最大精度)
●内置迟滞 (V HYS )
●百分比选项:2% 到 13%(1% 步长)
●固定选项:V TH < 8 V = 0.5 V、1 V、1.5 V、2 V、2.5 V
●可编程复位时间延迟
●10 nF = 12.8 毫秒,10 μF = 12.8 秒
●可编程感测时间延迟
●10 nF = 1.28 毫秒,10 μF = 1.28 秒
●手动复位 ( MR ) 功能
●输出复位锁存功能
●输出拓扑:开漏或推挽
应用:
●远程信息处理控制单元
●紧急呼叫系统
●音频放大器
●主机和集群
●传感器融合和摄像头
●车身控制模块
参数:
监控的耗材数量:1
阈值电压 1 (Typ) (V):0.8
特征:互补输出, 检测延时, 手动复位, 仅过压监控, 复位延时, 独立 VDD 和检测, 仅欠压监控, 宽输入电压
重置阈值准确度 (%):1
输出驱动器类型/复位输出:高电平有效,低电平有效,开漏,推挽
时间延迟(毫秒):可编程的
TI 功能安全类别:功能安全能力
看门狗定时器 WDI(秒):没有任何
工作温度范围(℃):-40 到 125





